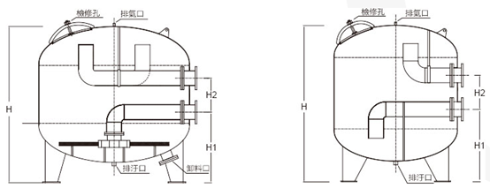
游泳池砂缸是循環系統的主要配備,用於過濾泳池水,淨化水質的設備,砂缸是採用深層過濾的原理。泳池水通過砂缸的時候,水中的雜質會被砂子截留下來,清水則通過管道流回泳池。![]() 一般游泳池砂缸的結構緊密,品質都不錯,可以使用很久,十幾年不是問題,甚至可以使用更長時間。不過這也是在正常使用的前提下。那麼正常使用就需要保養了。 ![]() 2.定期清潔: 過濾系統用久了,砂缸和管道中會積累很多雜質,油脂等汙物。這些東西積累多了堵在裡面,會影響系統過濾效果,甚至會使水質變得更糟。因此要半年或者一年進行一次清洗。這些頑固的污漬要使用專業的清潔劑,和專業的方法進行清洗。砂缸使用砂缸清洗劑,將砂缸盛水,倒進砂缸清洗劑浸泡24 小時左右,進行反沖洗。使用管道清洗劑對管道進行清洗。瑞萊斯砂缸還配有雙視鏡,可以看見濾料沖洗的效果的。不用擔心反沖洗不到位的問題。 3.定期更換濾料: 石英砂過濾是水質淨化很重要的一個步驟。石英砂非常重要。這些砂子的使用壽命比較長,在正常維護的情況下可以使用幾年。不過一般在3年左右需要更換一次石英砂。由於長期過濾左右,水滲透等等,會使砂子的對灰塵的吸附能力減弱,過濾效果也就隨之降低。瑞萊斯砂缸是下設放空口,可從泄水口放空砂缸內的水,很方便更換濾料和便於維修。 ![]() 另外瑞萊斯立式鋼制砂缸其內部管件全部採用不銹鋼材料,使用壽命長。砂缸內部結構與主罐體採用法蘭連接,前期方便安裝,後期有問題很方便維修。瑞萊有自己的砂缸生產廠,是可以根據客戶的需求來進行定制的。 |



